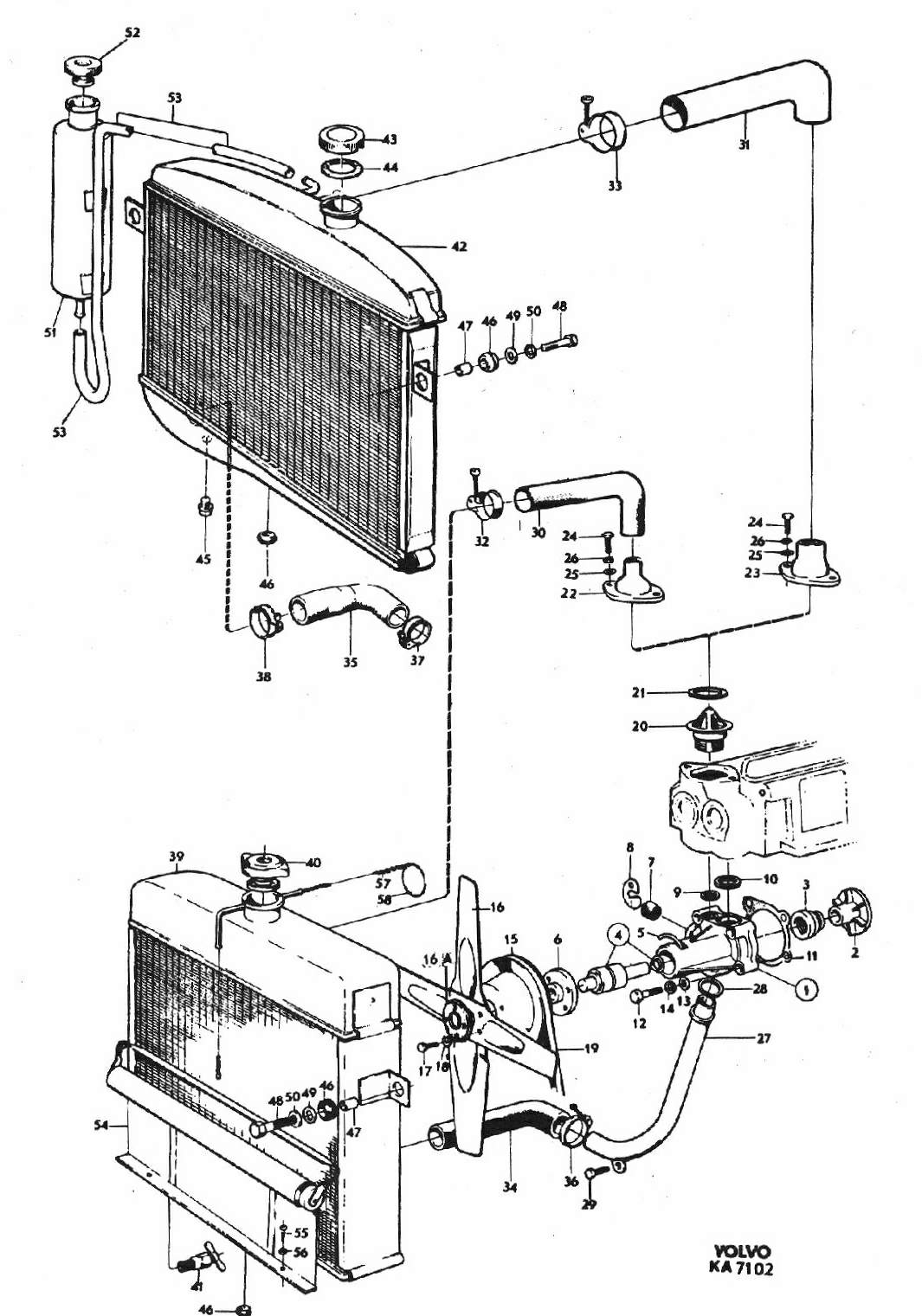
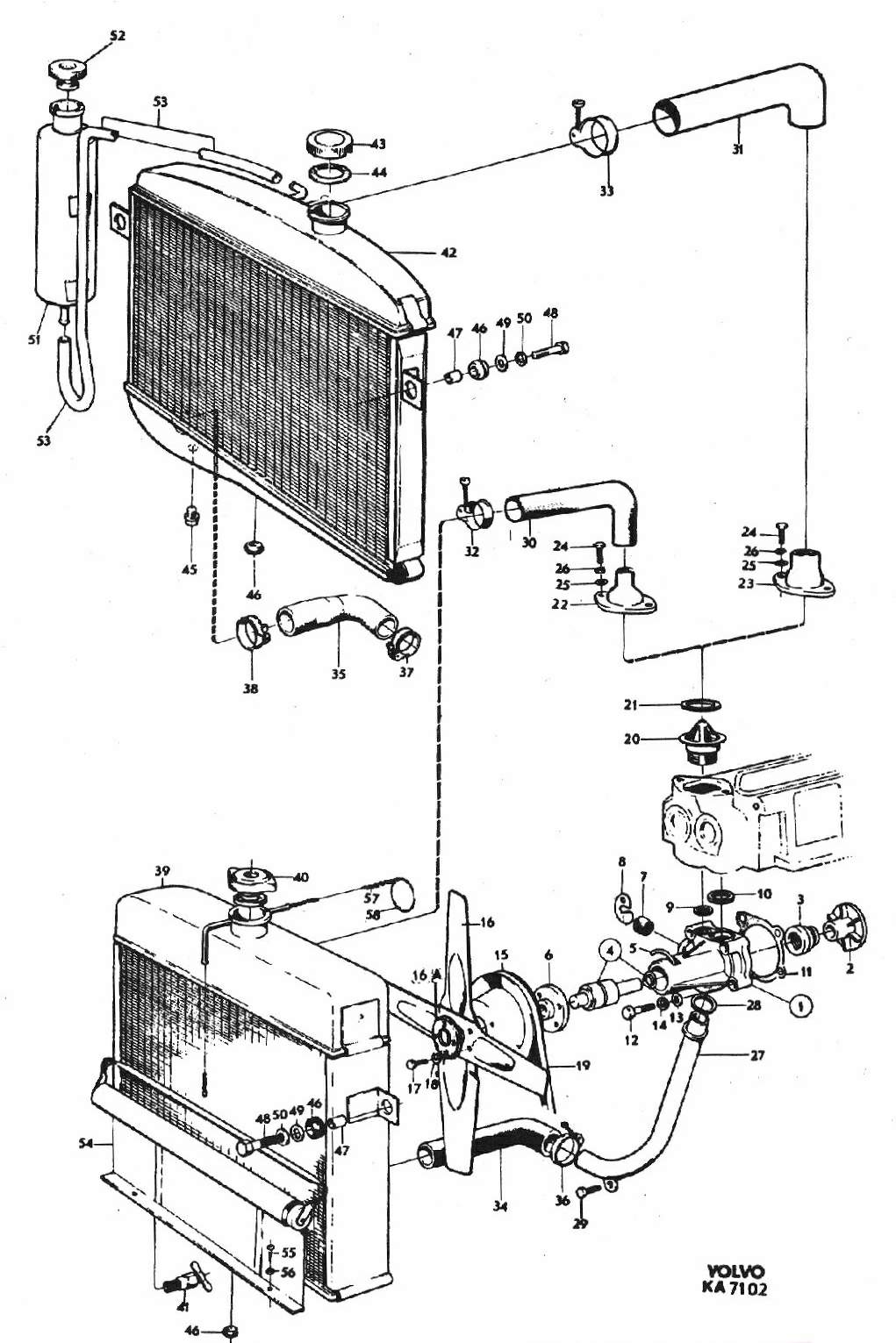
page 1 page 2 page 3 page 4 All pictures and drawings are original VOLVO pictures, taken from the manuals.
All pictures and drawings are original VOLVO pictures, taken from the manuals.