FUEL AND EXHAUST - 3

page 21

page 22

page 23

page 24

page 25

page 26

page 27

page 28

page 29

page 30

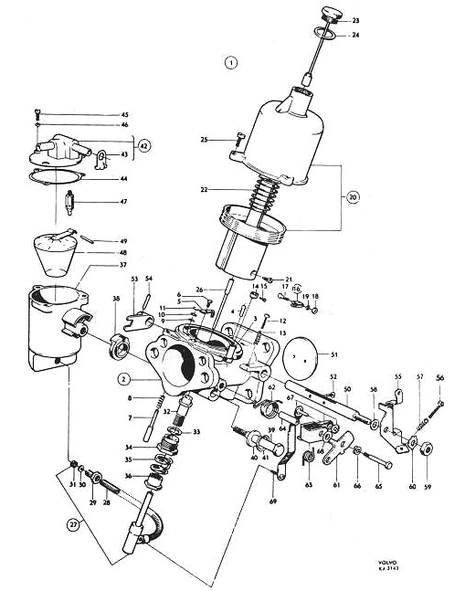
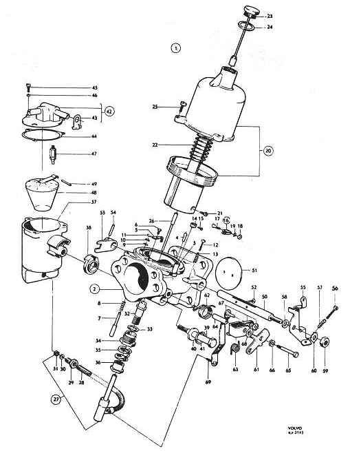
All pictures and drawings are original VOLVO pictures, taken from the manuals.