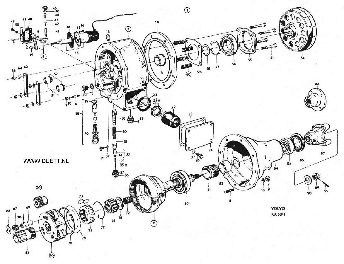
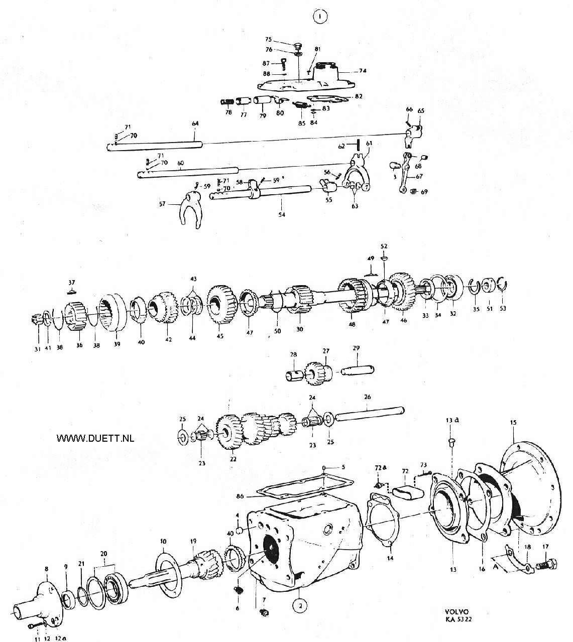
page 31 page 32 page 33 page 34 page 35 page 36 page 37 page 38 page 39 page 40 All pictures and drawings are original VOLVO pictures, taken from the manuals.
All pictures and drawings are original VOLVO pictures, taken from the manuals.