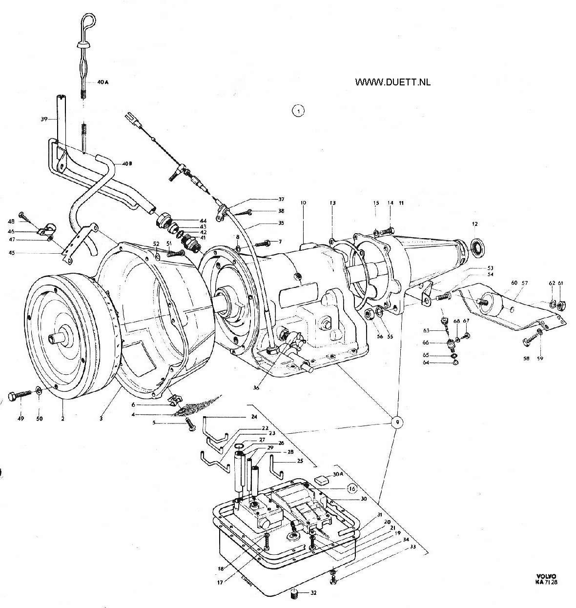
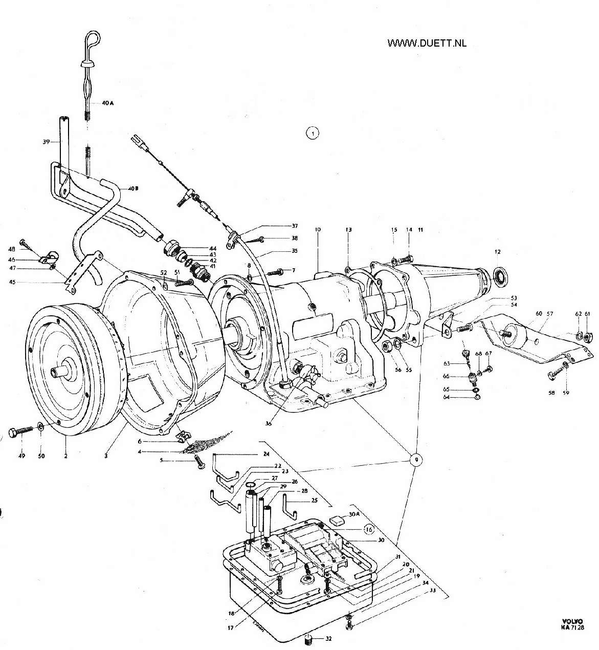
page 41 page 42 page 43 page 44 page 45 page 46 page 47 page 48 page 49 page 50 All pictures and drawings are original VOLVO pictures, taken from the manuals.
All pictures and drawings are original VOLVO pictures, taken from the manuals.