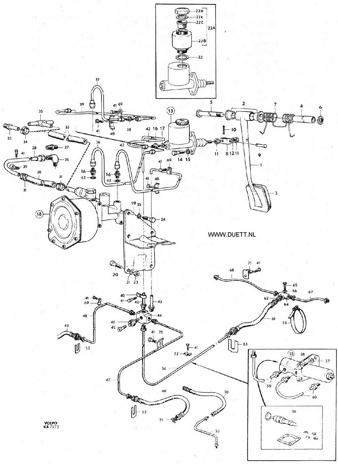
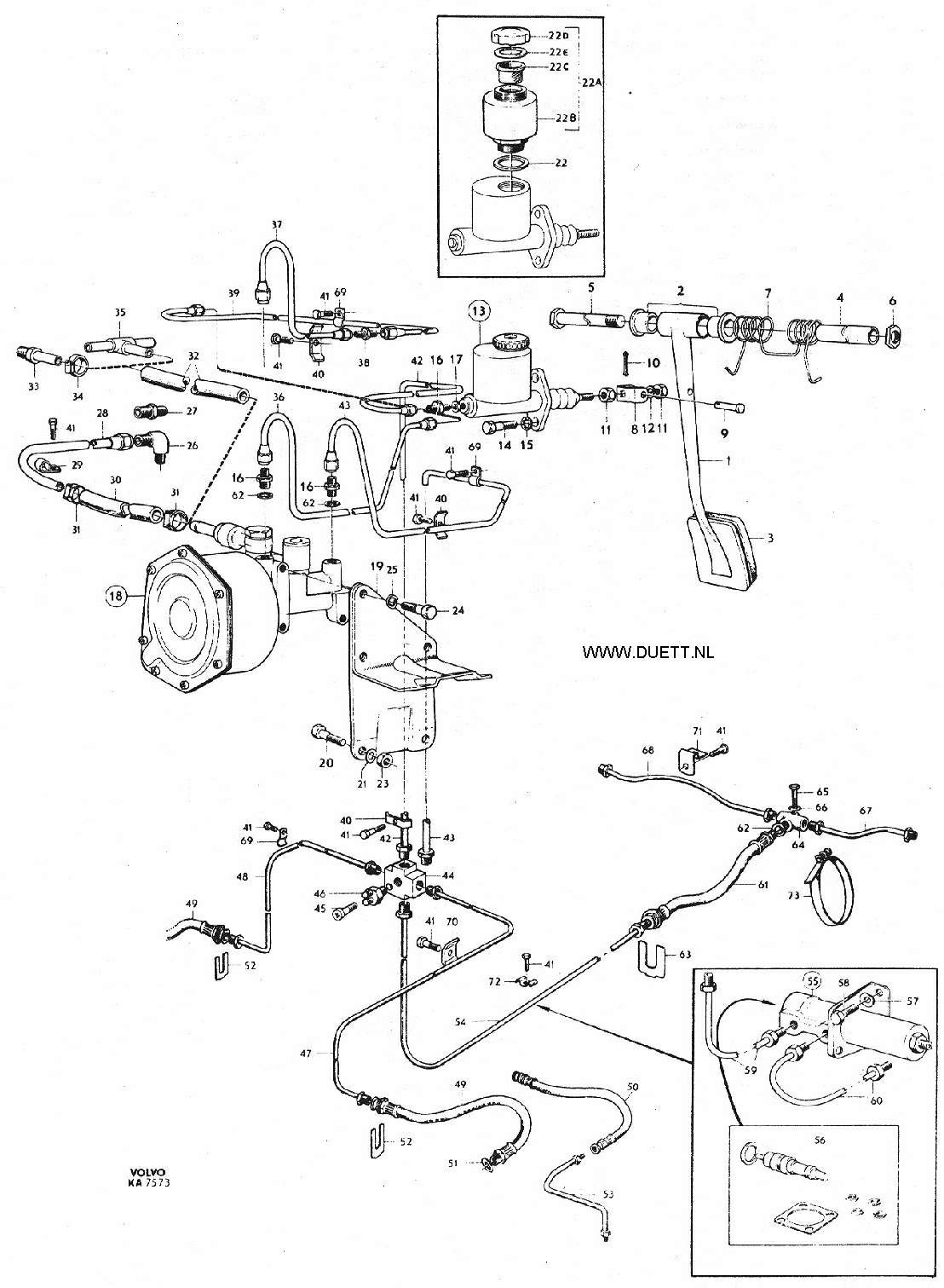
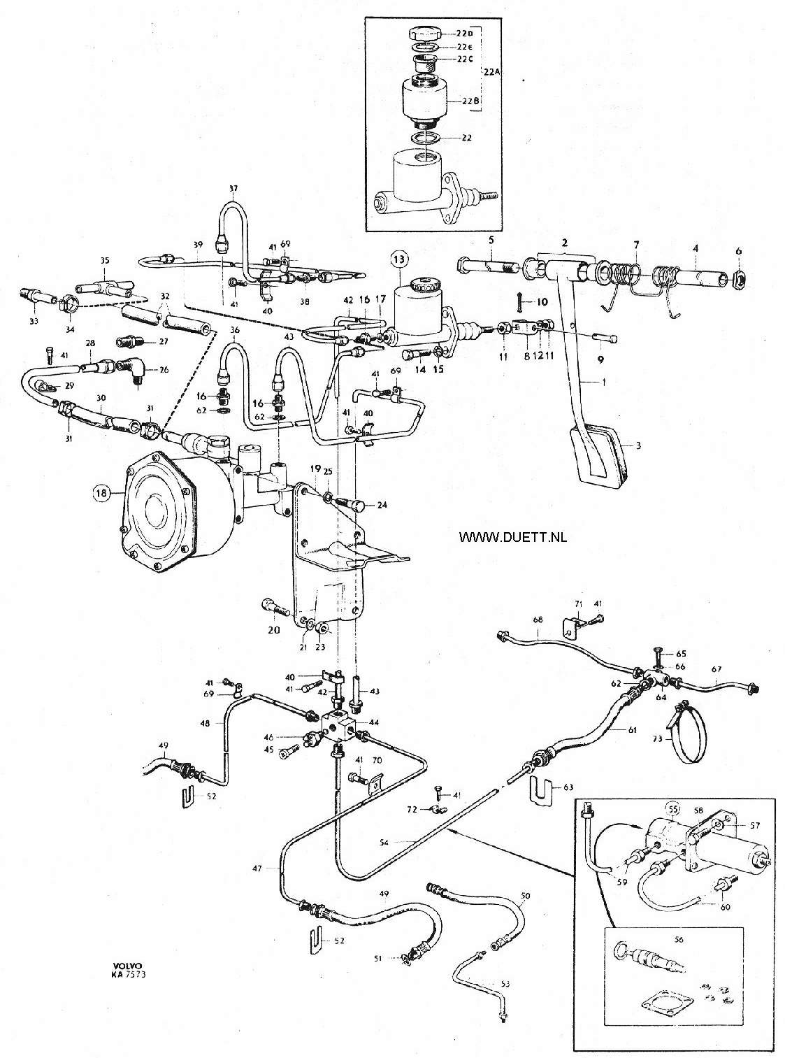
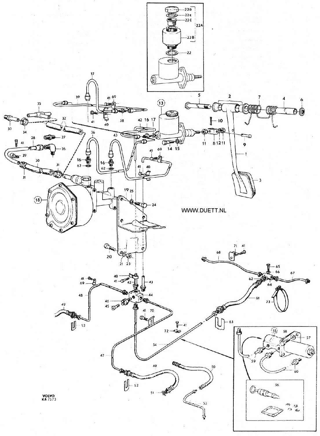
page 21 page 22 page 23 page 24 page 25 page 26 page 27 page 28 page 29 page 30 All pictures and drawings are original VOLVO pictures, taken from the manuals.
All pictures and drawings are original VOLVO pictures, taken from the manuals.