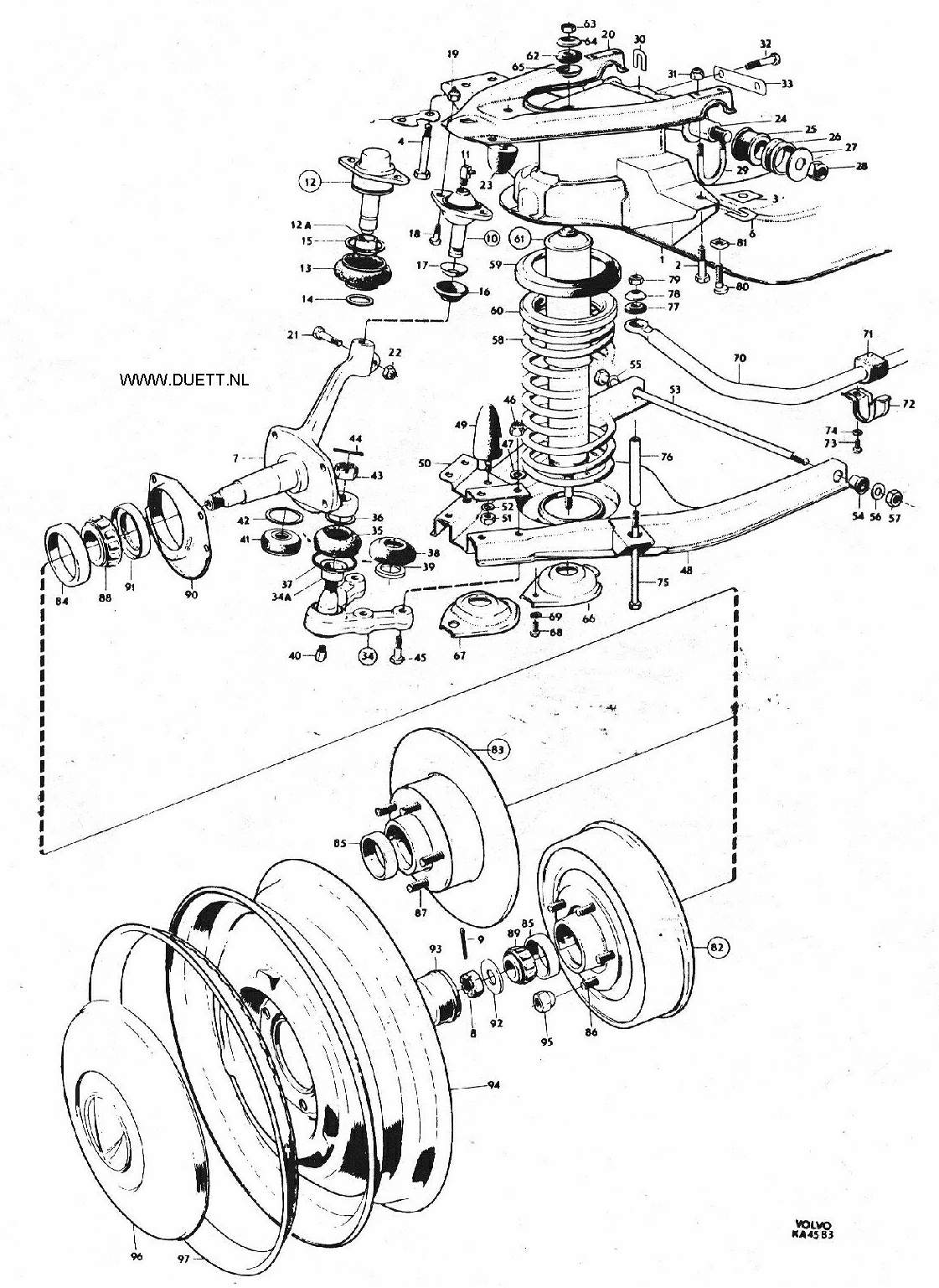
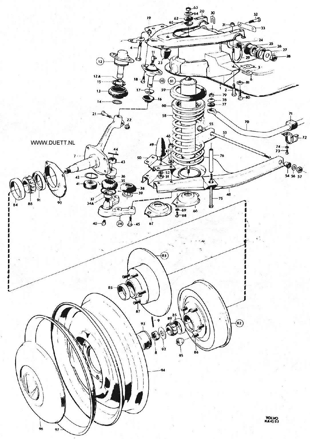
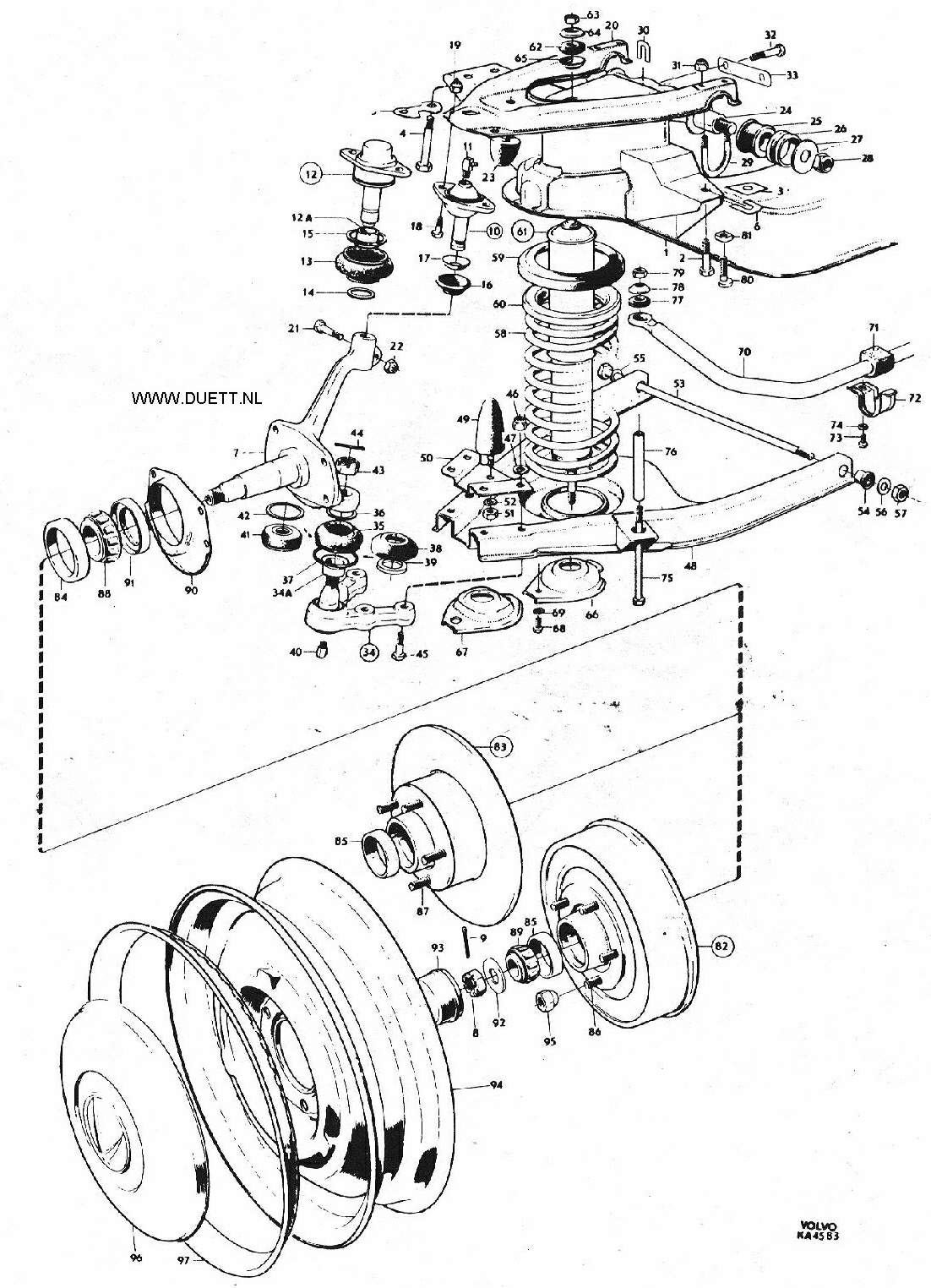
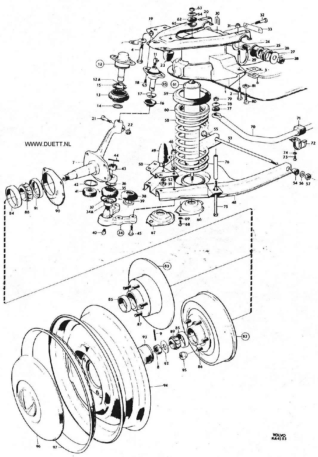
FRONT AXLE, WHEELS, STEERING - 1

page 1

page 2

page 3

page 4

page 5

page 6

page 7

page 8

page 9

page 10

All pictures and drawings are original VOLVO pictures, taken from the manuals.